MENU 导航菜单

浅析BOM管理在企业的应用状况

奇正资讯 > 行业新闻 更新时间:2022/7/27
图片


  目前,全生命周期的BOM管理已经是企业数据中心管理的核心,数据采集的主线也围绕BOM的演变过程进行。在企业实际的产品制造业务规划过程中,分为EBOM、PBOM、MBOM、中性BOM、实物BOM和维护BOM,如下图所示。其中以前三个阶段的BOM管理更深入,产品全生命周期的管理能力最根本的也就是体现在BOM的管理能力上。

图片

图1 全生命周期BOM管理

  

图片
1 企业BOM演变过程
图片


  随着发动机产品从产品设计、工艺设计、工装设计、生产制造、装配试车、维护维修直至产品销亡的一个周期过程,BOM管理也从初始的以设计BOM、工艺BOM为代表的虚拟产品结构开始向以台份实物BOM和维护服务BOM为代表的实物产品结构转变。单一配置的型号虚拟产品BOM,将根据实际生产情况的不同和质量跟踪要求派生出一系列的单台实物产品BOM配置。

图片

图2 产品全生命周期BOM的演变过程

  

图片
2 各阶段BOM的实际应用
图片


  2.1 全面应用的EBOM管理


  目前,在各种产品制造行业内EBOM的涵义和管理内容定义的都比较清晰,在发动机产品设计制造过程中,EBOM提供了产品和零组件的自然属性数据、产品和零组件的装配关系及其相应零组件之间装配数量关系的数据、BOM本身版本变化的版本信息。它精确地描述产品的设计指标、零部件之间的逻辑装配结构关系、零部件总体信息、零部件形状信息、零部件制造信息、零部件关联信息等,是工艺、生产制造等后续部门应用系统所需产品基础数据。


  2.2 PBOM维护状态


  发动机产品工艺设计与制造的技术数据及业务活动主要围绕PBOM来管理,并对其维护工作制定了相应的规范和标准。企业在接收设计院所的EBOM、图纸等技术文件后,编制工艺分工路线,各部门根据工艺流水分别完成所负责零部件的定额BOM(材料定额信息)、装配BOM(装配工艺路线),最终形成完整的PBOM。当前PDM与ERP、MES集成数据即以PBOM为核心的技术数据。


  2.3 中性BOM


  在企业中性BOM管理层面应用较为肤浅,未发挥出重要的作用。中性BOM是实物BOM的基础,是针对产品型号的BOM,用以定义组成产品的每个零部件的物流特性、位置信息及生产维护相关的特性参数。根据产品技术数据管理现状及对实物数据的管理要求,并经相关专业的研讨确定,中性BOM以PBOM为基础,扩展相关信息后形成中性BOM。


  2.4 实物BOM


  目前尚无实做BOM数据来验证最初BOM数据模型。


  2.5 维护BOM


  发动机出厂后的外场状态管理、维护维修等服务阶段的数据将以维护BOM为基础,由售后服务的人员根据其服务业务过程在MRO系统中维护,维护BOM管理还未与BOM前几个阶段的业务流程紧密的衔接。


图片
3 企业对BOM管理需求
图片


  如果企业能够对BOM实施集中规划管理,基于EBOM集中进行统一转化、快速变形设计及多视图管理,再造/优化后的业务流程能快速实现,由于各种变更引起的信息处理效率会更加高效。实施BOM的集中统一管理,各生产厂不需再在MES系统中维护一套BOM数据,而是通过接口从BOM管理系统中同步获取实时更新。


图片
4 BOM集成分析
图片


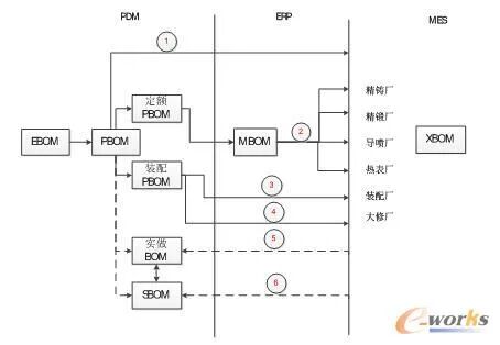
  企业内经过多年的信息化建设,已有了相当的BOM数据和一定的BOM管理基础。BOM管理总体路线图如下。

图片

图3 BOM集成路线

  

  路线①为近年在该企业进行的PDM与各生产厂BOM数据集成路线,主要集成了物料和工艺路线。每个生产厂都在自己的MES系统中单独手工创建一套BOM,并定期同从PDM获取的物料进行比对,从而决定工艺路线的维护。


  路线②为该企业早期进行的ERP与各个生产厂间的数据集成。未进行BOM集成,而是根据各生产厂特点,进行数据散片化集成。


  路线③④为PDM与EKRM系统的BOM集成


  路线⑤⑥为该企业MDC(制造数据中心)已完成研究的集成。


  图中,该企业的BOM管理基本是以PDM为基准出发,哪里需要就进行哪里的集成,多年以来逐步形成了目前的BOM管理格局。


  如果企业对BOM实施集中规划管理,能更好的基于EBOM集中进行统一转化、快速变形设计及多视图管理,再造/优化后的业务流程能快速实现,由于各种变更引起的信息处理效率会更加高效。实现了BOM的集中统一管理,各生产厂不需再在MES系统中维护一套BOM数据,而是通过接口从BOM管理系统中同步获取实时更新。


图片
5 BOM集中管理方式的选择
图片


  结合该企业现状,我们提出两种管理方式:


  第一种方式:所有BOM在PDM中进行统一管理。


  从管理角度看,这些BOM可以在PDM系统中进行管理,那么企业在实施PDM的时候,是否考虑把三种BOM全部放在PDM系统中进行管理。


  当然,进行了统一后,不是所有的数据全部在PDM系统中管理,部分属性必须在ERP、MES中管理的,统一的标准是:通过PDM的BOM增加一些ERP的属性以及更改一些物料的生产类型(采购件、虚拟件、外协件的转化),可以将BOM用于生产。统一的目的是在与ERP集成时候变得容易,同时也解决PDM系统管理多个BOM的复杂性以及管理上存在的困难。


  第二种方式:企业依托某一技术平台全新开发适合本企业的企业级统一BOM管理系统。


  1)基于Enovia的Single的BOM管理


  ENOVIA的BOM解决方案实现了对企业全业务价值链的管控,对BOM的管理涵盖了整个产品生命周期过程。


  2)基于Windchill的BOM管理


  对于产品信息的管理,有效的支持企业研发流程以及其他前端(面向客户)后端(面向企业内部协同)的流程,从时间范围上覆盖从市场创意到售后退出服务的全生命周期,从职能部门范围上覆盖研发、市场、销售、采购、预测、检测、制造、服务、质量以及成本的全矩阵的职能组织,从技术学科上要覆盖机械结构、电子电气、软件开发、技术资料等产品所涉及的全面的技术组成。


  3)基于Teamcenter的BOM管理


  Teamcenter的BOM管理使企业在整个产品生命周期中有效地管理BOM和产品配置、实现可重复的数字化验证、开放的和专业化的BOM管理。开放性和专业化的BOM管理方法使得企业管理系统实现无缝集成,共享产品信息,获得与合作伙伴及供应商的更大范围内价值链的同步。


图片
结束语
图片


  企业对BOM的管理一直在探索的过程中,所以一些BOM管理理念和方法也需要在今后的工作实践中验证。


本文转载自PLM之神  作者:孙洪爽 | 来源:e-works

下一篇:10 年,医院数据中心“云端进化”路线图 上一篇:面向PLM的BOM数据管理与实践